Dans le programme du permis moto, la vérification du niveau d'huile moteur reste une « vérification » théorique, et qui n'est pas vraiment pratique. Résultat, après le passage du permis vous êtes un peu perdu pour faire cette opération, qui n'est pas si simple en réalité, à moins de connaître les deux ou trois trucs un peu techniques sur le fonctionnement des moteurs de moto.
Tout d'abord, il faut savoir que l'huile du moteur (et c'est une spécificité de la moto par rapport à la voiture) sert à lubrifier également la boite de vitesses et surtout l'embrayage. La qualité est donc primordiale, mais aussi ses caractéristiques et ses homologations, qui doivent correspondre à un moteur de moto. Les huiles Bardahl pour motos intègrent, par exemple (et c'est rare) un additif spécifique « Clutch Performance Technology » qui permet justement d'éviter le glissement de l'embrayage tout en offrant une lubrification performante du moteur. À noter aussi que la gamme XTC bénéficie à ce titre de l'homologation japonaise JASO MA. La gamme complète des lubrifiants moto Bardahl est disponible en ligne. Pour connaître le bon lubrifiant, Bardhal a enfin mis un sélecteur en ligne www.bardahloils.com qui indique le bon lubrifiant en fonction de votre moto.
Il faut savoir enfin que l'huile assure également une partie du refroidissement en évacuant quelques calories, il y a donc parfois un radiateur d'huile. Son grade, ou plus exactement son multigrade 10w40 indique sa viscosité à froid (10) et à chaud (40), il est donc très primordial dans le choix de l'huile.
Tout d'abord, il faut savoir que l'huile du moteur (et c'est une spécificité de la moto par rapport à la voiture) sert à lubrifier également la boite de vitesses et surtout l'embrayage. La qualité est donc primordiale, mais aussi ses caractéristiques et ses homologations, qui doivent correspondre à un moteur de moto. Les huiles Bardahl pour motos intègrent, par exemple (et c'est rare) un additif spécifique « Clutch Performance Technology » qui permet justement d'éviter le glissement de l'embrayage tout en offrant une lubrification performante du moteur. À noter aussi que la gamme XTC bénéficie à ce titre de l'homologation japonaise JASO MA. La gamme complète des lubrifiants moto Bardahl est disponible en ligne. Pour connaître le bon lubrifiant, Bardhal a enfin mis un sélecteur en ligne www.bardahloils.com qui indique le bon lubrifiant en fonction de votre moto.
Il faut savoir enfin que l'huile assure également une partie du refroidissement en évacuant quelques calories, il y a donc parfois un radiateur d'huile. Son grade, ou plus exactement son multigrade 10w40 indique sa viscosité à froid (10) et à chaud (40), il est donc très primordial dans le choix de l'huile.
Une opération pas si évidente que ça
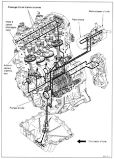
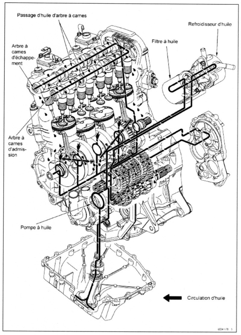
Dans le moteur, il y a donc un circuit de lubrification où l'huile circule grâce à une pompe qui barbote dans le carter inférieur et qui envoie cette huile vers le haut du moteur.
Comme l'huile circule dans le moteur quand celui-ci est en marche, son niveau varie logiquement dans le carter, ce qui explique que le contrôle du niveau dépend aussi de la température du moteur et du temps écoulé depuis son arrêt (essentiellement pour permettre à l'huile de redescendre par gravité dans le carter).
Comme une huile chaude est plus fluide, ce temps est variable et explique des différences de niveau parfois importantes en quelques minutes seulement.
Comme l'huile circule dans le moteur quand celui-ci est en marche, son niveau varie logiquement dans le carter, ce qui explique que le contrôle du niveau dépend aussi de la température du moteur et du temps écoulé depuis son arrêt (essentiellement pour permettre à l'huile de redescendre par gravité dans le carter).
Comme une huile chaude est plus fluide, ce temps est variable et explique des différences de niveau parfois importantes en quelques minutes seulement.
Entre les repères mini et maxi, idéalement au milieu entre les deux
Comme le niveau d'huile est donc variable, sa vérification impose quelques règles.
Premièrement : jamais avec le moteur tournant, afin d'éviter les projections d'huile chaude.
Un bon niveau d'huile est situé obligatoirement entre les repères maxi et mini, et idéalement au milieu. En choisissant ce repère et non le maxi comme idée généralement répandue, vous aurez la certitude que votre niveau d'huile dispose d'une tolérance en plus ou en moins.
L'idée que le repère maxi est préférable n'a plus de raison d'être sur les moteurs de moto modernes, car ils ne consomment plus d'huile en fonctionnement normal.
Pour un motard novice, la tentation de mettre plus d'huile par sécurité semble préférable à un manque d’huile. En réalité, c'est le juste niveau qui est indispensable : Trop d'huile dans le carter risque d'endommager les joints du moteur et de créer des fuites d'huile, enfin le surplus d'huile sera brûlé en pure perte donnant justement une fausse impression de consommation d'huile. Inversement, il ne faut pas se fier au témoin de faible niveau d'huile du tableau de bord (en rouge), beaucoup trop imprécis, sachant qu’un manque d'huile endommage irrémédiablement le moteur.
Premièrement : jamais avec le moteur tournant, afin d'éviter les projections d'huile chaude.
Un bon niveau d'huile est situé obligatoirement entre les repères maxi et mini, et idéalement au milieu. En choisissant ce repère et non le maxi comme idée généralement répandue, vous aurez la certitude que votre niveau d'huile dispose d'une tolérance en plus ou en moins.
L'idée que le repère maxi est préférable n'a plus de raison d'être sur les moteurs de moto modernes, car ils ne consomment plus d'huile en fonctionnement normal.
Pour un motard novice, la tentation de mettre plus d'huile par sécurité semble préférable à un manque d’huile. En réalité, c'est le juste niveau qui est indispensable : Trop d'huile dans le carter risque d'endommager les joints du moteur et de créer des fuites d'huile, enfin le surplus d'huile sera brûlé en pure perte donnant justement une fausse impression de consommation d'huile. Inversement, il ne faut pas se fier au témoin de faible niveau d'huile du tableau de bord (en rouge), beaucoup trop imprécis, sachant qu’un manque d'huile endommage irrémédiablement le moteur.
Il existe un repère mini et un repère maxi sur chaque carter moteur ou sur chaque jauge, et l'idéal est un niveau entre les deux.
Pour vérifier soigneusement votre niveau, sachez que sur un moteur complètement froid et arrêté depuis plus de six heures ce dernier ne doit jamais dépasser le repère maxi. Évidemment, avant de procéder à la vérification du niveau de l’huile il faut impérativement mettre la moto bien verticale, sur la béquille centrale ou une béquille d’atelier.
Pour vérifier un niveau d'huile, l'idéal est de procéder toujours avec le même protocole afin d'avoir une lecture fiable.
Avec un moteur en température (plus de 15 minutes de fonctionnement), il faut l'arrêter et attendre 10 minutes pour que le niveau se stabilise avant de procéder à sa lecture, puis ajouter de l'huile si nécessaire pour mettre le niveau pile entre les repères mini et maxi.
Pour vérifier un niveau d'huile, l'idéal est de procéder toujours avec le même protocole afin d'avoir une lecture fiable.
Avec un moteur en température (plus de 15 minutes de fonctionnement), il faut l'arrêter et attendre 10 minutes pour que le niveau se stabilise avant de procéder à sa lecture, puis ajouter de l'huile si nécessaire pour mettre le niveau pile entre les repères mini et maxi.





Faites entretenir votre moto A2 à partir de 119 €
